LM6000シリーズ
期待に応えるIHIのハイエンドモデル
LM6000はGE社製のジェット機用エンジンCF6-80(※)の転用形のガスタービンで、高い信頼性とクラス最高の発電効率による世界的ベストセラーを続けているガスタービンです。 ※CF6-80C2は航空機エンジンとして7650万時間の運転時間と99.97%のreliabilityを記録しています。
LM6000シリーズ製品の特徴
- 世界最高クラスの発電効率
- 豊富な経験による高信頼性
- 航空機エンジン技術により急速起動停止が可能
- ガス燃科、液体燃料の使用が可能
- 短期間での納入可能
- 低NOx型燃焼器の選択が可能
- 軽量・コンパクトかつメンテナンスが容易
- SPRINT™(出力増強キット)に対応可能
製品性能
LM6000ガスタービンは回転数や温度、圧力など様々なパラメータによって制御されています。
その中の一つに圧縮機出口の空気温度があります。これは圧縮機からの抽出空気で高圧タービン系の冷却を行っているためで、冷却性能を考え圧縮機出口温度をしきい値以下にする必要があるからです。
例えば、吸気温度が高い時には、圧縮機出口空気の温度も高くなってしまいます。この時は燃料供給量を制限し圧縮機出口温度がしきい値を越えないように保持しますが、一方で出力も低下してしまいます。
SPRINTTM SYSTEMは低圧圧縮機(LPC:Low Pressure Compressor)及び高圧圧縮機(HPC:High Pressure Compressor)入口にて水を噴霧し、気化熱によって熱を奪うことで圧縮機出口温度を低下させます。
加えてSPRINTTM SYSTEMでは、さらに水を噴霧し温度をしきい値以下とし、燃料供給量を追加することでISOコンディションで12%、外気温度32℃で30%の出力増強を可能とします。
製品性能
LM6000 PF 発電プラント性能
シンプルサイクル | 発電機端出力 | 43MW | 発電機端効率 | 41%以上 |
---|---|---|---|---|
コンバインドサイクル | 発電機端出力 | 56MW | 発電機端効率 | 54%以上 |
コージェネレーションシステム | 発電機端出力 | 51MW | 発電機端効率 | 41%以上 |
送気蒸気量 | 61t/h | 総合熱効率 | 83%以上 |
LM6000 PF + 発電プラント性能
シンプルサイクル | 発電機端出力 | 51MW | 発電機端効率 | 41%以上 |
---|---|---|---|---|
コンバインドサイクル | 発電機端出力 | 68MW | 発電機端効率 | 56%以上 |
コージェネレーションシステム | 発電機端出力 | 50MW | 発電機端効率 | 40%以上 |
送気蒸気量 | 78t/h | 総合熱効率 | 85%以上 |
※使用条件:燃料:都市ガス LHV:40.6MJ/Nm3 大気圧力:101.3kPa 吸気温度:15℃
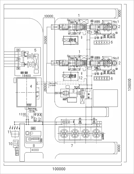
LM6000標準配置図/コンバインド(GT×2基ケース)

符号 | 名称 |
---|---|
1 | ガスタービン発電装置 |
2 | 排熱回収ボイラー |
3 | 蒸気タービン発電機 |
4 | 電気室/制御室 |
5 | トランスヤード |
6 | ガスタービン用冷却塔 |
7 | 冷却塔 |
8 | 燃料ガス圧縮機 |
9 | 空気圧縮機 |
10 | 純水装置および上水供給装置 |
11 | 純水タンク |
12 | 吸気冷却冷水用冷凍機 |